◆ FC-150

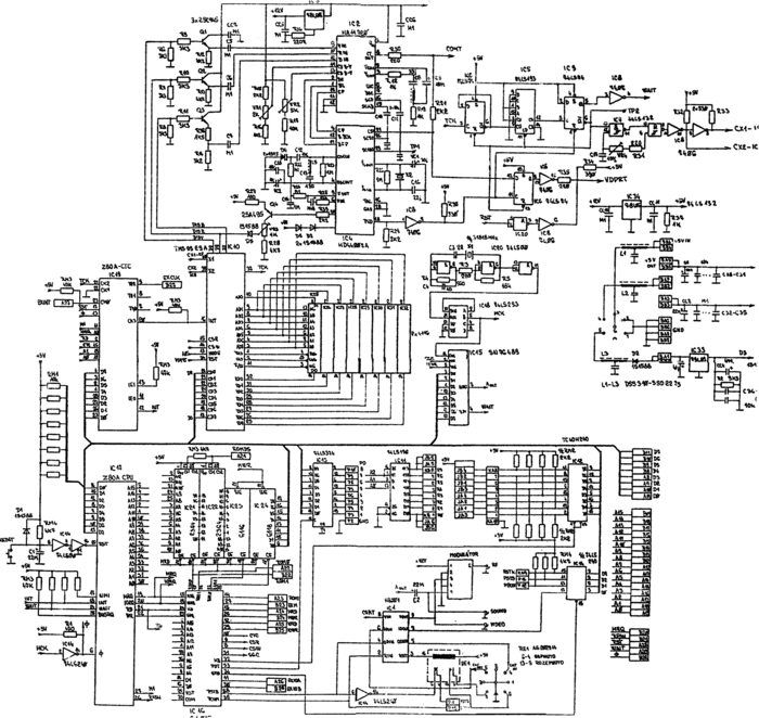
SORD M5의 초창기 버젼 회로도

이안김 2011. 6. 5. 11:09

FC-150과 호환되는 Sord m5의 유럽버젼이다.

도면의용량이 조금 커서 안올라갈것 같았는데, 올라가니 다행스럽다. ^^;

FC-150은회로가 간단한데, 이 SORD-M5는 구성이 좀 복잡하다.

PAL방식이라 비디오쪽 회로도 좀 복잡한 편이다.

혼자생 각에 향후에 버스와 Data선에 버퍼를 넣고 일부개선한 후 기존 슬롯 2개, 신규 슬롯 6개 짜리 FC-150을 만들면 어떨까 생각해 본다. 물론 호환성은 그대로 유지 할 수 있을것으로 본다.

CPU와 롬 램 그리고 TMS9918이 핵심이다.

어드레스 디코딩은 GAL로 한것 같고, 나머지 IO부분도 그렇게 어려워 보이지는 않는다.

GAL은 없어도 TTL로 디코더를 충분히 만들수 있을것으로 본다.


from http://k5.web.klfree.net/content/view/10/11/